手機:13682424639
電話:0755-88218255
郵箱:szfusda@163.com
聯(lián)系人:袁先生
地址:深圳市寶安區(qū)沙井正誠豐科技園
郵編:518104
風扇螺絲鎖付簡介
風扇是比較常見的一種家用電器,其裝配工作需要用到許多大小不同的螺絲.比如:電機,扇葉,按鈕開關以及外殼等都需要用螺絲來進行裝配和緊固工作,由于風扇各個部件采用的螺絲也各不相同,螺絲鎖付工作也需要采用不同的方案,這里介紹風扇內部,調速按鈕盒定時按鈕以及扇葉的螺絲鎖付工作.
風扇鎖螺絲機方案
這里我們采用手持式鎖螺絲機方案,手持式小巧輕便,比較靈活,可在相似螺絲的任何工件供進行通用.不同螺絲頭型的螺絲只需更換批頭即可(要保證螺絲大小相同方可通用)
以下富仕達手持式自動鎖螺絲機簡單介紹
型號: FSD-SX系列
效率: 40-60PCS/min
尺寸: 300*160*390(mm)
重量: 9kg
加工定制: 是
額定電壓: 220V
電源類型: 交流電源
額定功率: 60(W)
適用范圍: M0.8-M6
螺絲兜容積: 8000(pcs)
螺絲導入方式: 吹氣式
實用產品類型:五金,塑料,木制品等產品螺絲鎖付
適用螺絲頭型: 通用
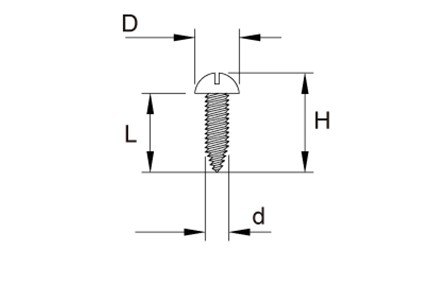
風扇用手持式鎖螺絲機需滿足以下條件

|
尺寸 |
可適用范圍 |
備注 |
|
d |
0.8 < d < 6 |
mm |
|
D |
1.3d <D < 12 |
mm |
|
H |
1.2D< H <35 |
mm |
|
適用扭力 |
1-30 |
Kgf/cm2 |
|
螺絲頭型 |
|
|
|
螺絲材料 |
1. 銅 2. 鐵 3. 不銹鋼 |
|
|
螺帽類型 |
|
|
|
適用產品 |
1. 五金制品 2. 塑料制品 3. 木制品 4.電路板 |
|
|
螺絲類型 |
|
|